
联系人:马先生
手机 :13736184459
传真: 0574-88001955
网址 :www.kmzykt.com
地址: 宁波市鄞州区钱湖北路33号
上海理工大学环境与建筑学院 程 序 熊 乐 于国清
【摘 要】本文选取了夏热冬冷地区办公建筑中的一个典型房间作为研究对象,基于房间的热平衡法,根据室内空气热平衡方程建立了供暖房间数学模型,对该房间在间歇供暖时的能耗及其影响因素进行了研究。本文分析了不同运行时长、供暖系统温度、房间换气次数、房间窗户传热系数和相邻房间供暖时供暖房间的间歇运行总负荷、节能量和节能率。结果表明:运行时间对能耗的影响远大于供暖系统温度、房间换气次数和房间窗户传热系数对能耗的影响,当运行时长从10h减少到4h时,间歇供暖,相比连续供暖的节能率从31%提高到54%。当周围房间供暖时,间歇供暖总负荷远低于相邻房间不供暖,节能率也降至8.46%。
【关键词】间歇供暖;热负荷;节能量;节能率
1 引言
在我国夏热冬冷地区,供暖设备普遍采用间歇供暖的方式。与连续供暖系统相比,间歇供暖系统可以减少一部分能耗,从而达成建筑节能的目的。但间歇供暖系统的节能量与节能率受到多种因素的影响。对于各种因素到底如何影响供暖系统的节能量与节能率,都还有待深入研究。
国内外的学者通过实验研究与模拟分析等方式,对间歇供暖系统能耗的影响因素进行了研究。Badran 等人通过研究居住建筑墙体的结构和保温层厚度对间歇和连续运行负荷的影响,发现当住宅建筑围护结构的保温性能很好时,如果建筑使用时间在14h以内,供暖系统间歇运行会比较节能[1]。Ferenc Kalmár研究发现在同等情况下间歇供暖与连续供暖相比,地板供暖节能率为6.2%,而吊顶辐射供暖节能率为10.4%[2]。李兆坚等人采用DeST-h软件对北京地区某住宅不同保温形式和不同供暖时间共8种工况,进行逐时模拟计算。模拟结果表明当停暖时间比为30%时,全楼平均节能率为10%[3]。
2 研究对象
2.1 物理模型

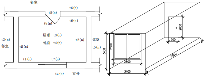
图1 典型供暖房间示意图
如图1所示,本文所研究的对象为某办公楼中的一个典型朝北房间。该房间的尺寸为3.4m×3.4m×6m,北外墙上有一扇窗,南内墙上有一扇门,周围房间和走廊均不供暖。围护结构的厚度与热物性参数如表1和表2所示。北外墙上窗户的传热系数为3.5W/(m2·℃),南内墙上门的传热系数为2.5W/(m2·℃)。
表1 外墙各组成部分热物性参数

表2 内墙各组成部分热物性参数

围护结构各部分的尺寸和内表面温度如表3所示。
表3 围护结构各部分尺寸及内表面温度

2.2 计算参数
围护结构的各内表面温度、室外空气综合温度的初始值均为18℃,相邻房间的室温维持在10℃,走廊的空气温度维持在8℃,室内设计温度为18℃。间歇供暖工作期间,该房间从8:00开始使用,18:00停止使用,预热期时长为2小时,从6:00开始到8:00结束。在预热期结束时室内空气温度应达到18℃。
3 数学模型
对于供暖房间,单位时间内室内空气中显热的增量等于围护结构各内表面与室内空气的对流换热量、直接对流的热量、空气渗透耗热量和供暖系统加热量之和,根据上述关系可列出室内空气的热平衡方程,其数学表达式为:
(1)
式中:tr(n)——室内空气温度,℃;tk(n),ti(n)——第K和第i围护结构内表面温度,℃;akc——第i围护结构内表面的对流换热系数,W/(m2·℃);q1c(n)——n时刻来自照明、人体显热和设备显热等的对流散热量,W;q2c(n)——n时刻吸收房间热量致使水分蒸发所消耗的房间显热量,W;La(n)——n时刻的空气渗透量,m3/h;(cρ)a,(cp)r ——室外空气和室内空气的单位热容,KJ/(m3· ℃);V——房间体积,m3;HA(n)——n时刻供暖系统显热加热量,W。
4 典型日间歇供暖房间热过程模拟与分析
供暖系统连续运行时,全天的逐时热负荷累加起来就是连续运行总负荷。供暖系统间歇运行时,预热期与工作期的供热量之和为间歇运行总负荷。连续运行总负荷与间歇运行总负荷的差值为节能量。节能量与连续运行总负荷的比值为节能率。
4.1 间歇供暖与连续供暖能耗对比

图2 间歇供暖与连续供暖逐时供热量
如图2所示为间歇供暖与连续供暖的能耗对比,供暖系统连续运行的总负荷为39363 W•h。供暖系统间歇运行的总负荷为27118 W•h,其中预热量为7956 W•h。与供暖系统连续运行相比,供暖系统间歇运行的节能量为12245 W•h,节能率为31.11%。
4.2 运行时长的影响
本节研究当间歇供暖房间工作期室温恒定时,供暖系统运行时长对供暖房间热过程的影响,分别计算工作期运行时间为4h、6h、8h、10h四种工况,计算时采用的围护结构物理模型和热物性参数与2.1节相同,计算采用上海典型气象日的气象参数,除运行时间不同外,其他计算条件均与文章4.1节热过程分析的计算条件一致,这四种工况的预热时间均为2小时(6:00-8:00)。分析结果如图3所示。

图3 运行时间不同时的供热负荷、节能量和节能率
由图3所示,供暖系统间歇运行时间越长,间歇运行总负荷越高,预热负荷、节能量和节能率越低。当运行时间为4h时,间歇运行总负荷、节能量和节能率分别增加为18095 W•h、21269 W•h和54.03%。6h间歇运行总负荷比4h增加3313 W•h,8h间歇运行总负荷比6h增加2971W•h,10h间歇运行总负荷比8h增加2739 W•h。可以看出,当运行时间减少时,节能量和节能率均有很大的提升,并且随着运行时间的延长,增加相同的运行时间,所需的负荷越少。运行时间为4h时,预热负荷为8995 W•h,占总负荷的49.71%,运行时间为10h时,预热负荷为7956 W•h,占总负荷的29.34%。运行时间越长,预热负荷越小,占总负荷的比例也越小。
4.3 供热温度的影响
本节研究供暖系统供热温度对供暖房间热过程的影响,分别计算供热温度为15℃、18℃和21℃三种工况,计算时采用的围护结构物理模型和热物性参数与2.1相同,计算采用上海典型气象日的气象参数,除供热温度不同外,其他计算条件均与文章4.1节热过程分析的计算条件一致。

图4 供热温度不同时的供热负荷、节能量和节能率
如图4所示,供暖系统供热温度越高,间歇运行总负荷、节能量越高,节能率越低。当供热温度为15℃时,间歇运行总负荷、连续运行总负荷和节能量最小,分别为17967 W•h、26292 W•h和8325 W•h,节能率最大为31.66%,当供热温度为21℃时,相比于15℃,间歇运行总负荷和连续运行总负荷和节能率分别增大18303 W•h、26144 W•h和7085 W•h,节能率减小0.83%。
所以,当供暖系统供热温度上升时,连续运行和间歇运行总负荷均会增加,但由于间歇运行负荷的增加速度低于连续运行,从而造成节能量的增大,但相比较于其他影响因素,供热温度对节能率的影响很小,供热温度15℃的节能率相较于21℃,相差不到1%。
4.4 换气次数的影响
本节研究房间换气次数对供暖房间热过程的影响,分别计算每小时换气次数为0.5次、1次和2次三种工况,即冷风渗透量为34.68m3/h、69.36 m3/h和138.72 m3/h。计算时采用的围护结构物理模型和热物性参数与2.1相同,计算采用上海典型气象日的气象参数,除房间每小时换气次数不同外,其他计算条件均与文章4.1节热过程分析的计算条件一致。

图5 换气次数不同时的供热负荷、节能量和节能率
如图5所示,当换气次数为0.5次时,间歇运行总负荷、节能量和节能率均为最低,三者分别为27118 W•h、12245 W•h和31.11%,当换气次数为2次时,三者分别增加6380 W•h、4852 W•h和2.86%。可以看出随着房间换气次数的增加,连续和间歇运行总负荷均有所增加,但连续运行总负荷的增加速度略大于间歇运行,因此节能率略微的增加。
4.5 外窗传热系数的影响
本节研究房间外窗传热系数对供暖房间热过程的影响,分别计算分析外窗传热系数为2W/(m2·℃)、3.5W/(m2·℃)和6W/(m2·℃)三种工况,除房间外窗传热系数不同,计算时采用的围护结构物理模型和热物性参数与2.1相同,计算采用上海典型气象日的气象参数,其他计算条件均与文章4.1节热过程分析的计算条件一致。

图6 窗户传热系数不同时的供热负荷、节能量和节能率
如图6所示,随着房间窗户传热系数的增大,连续运行总负荷、间歇运行总负荷,节能量和节能率均有所上升。当窗户传热系数为2W/(m2·℃)时,这四者的值均为最低,分别为37753 W•h、26193 W•h、11559 W•h和30.62%,当窗户传热系数增加到6W/(m2·℃)时,四者分别增加4297 W•h、2426 W•h、1843 W•h和1.27%。
所以,随着房间窗户传热系数的增大,连续和间歇运行总负荷均增大,但连续供暖总负荷的增长速度高于间歇供暖总负荷,从而造成节能率略微的增加。
4.6 相邻房间供暖情况的影响
本节研究相邻房间供暖情况对供暖房间热过程的影响,分别计算相邻房间供暖和不供暖两种工况,计算时采用的围护结构物理模型和热物性参数与2.1相同,计算采用上海典型气象日的气象参数,除了相邻房间供暖情况不同,其他计算条件均与文章4.1节热过程分析的计算条件一致。

图7 邻室供暖情况不同时的供热负荷、节能量和节能率
如图7所示,当相邻房间供暖时,间歇运行总负荷、节能量和节能率分别为11380 W•h、1051 W•h和8.46%,均远低于相邻房间不供暖时的间歇运行总负荷、节能量和节能率。
5 结论
本文选取了上海地区办公建筑中的一个典型房间作为研究对象,确定了围护结构各部分的热物性参数,以上海地区典型气象日为外扰参量,对间歇供暖房间的热过程进行了计算分析,并研究了工作期运行时长、供暖系统供热温度、房间换气次数、外窗传热系数以及相邻房间供暖情况对房间热过程的影响。根据计算分析结果,可以得出以下结论:
(1)当工作期运行时长从10h减少到4h时,相比连续供暖,节能率从31%增加至于54%,预热负荷占间歇运行总负荷的比例增大。
(2)当供暖系统供热温度由15℃提高至21℃时,间歇供暖总负荷、连续供暖总负荷和节能量分别增加18303 W•h、26144 W•h和7085 W•h,但节能率仅减小0.83%。
(3)当房间换气次数从0.5h-1增加到2 h-1时,间歇供暖总负荷,节能量和节能率分别增加6379 W•h、4852 W•h和2.86%。
(4)当房间窗户传热系数由2W/(m2·℃)增加至6W/(m2·℃)时,连续和间歇供暖总负荷分别增加4270 W•h,2426 W•h,但连续供暖总负荷的增长幅度高于间歇供暖总负荷,从而造成节能量增加1843 W•h,节能率略微的增加1.27%。
(5)当相邻房间供暖时,间歇供暖总负荷大幅度低于相邻房间不供暖,相比连续供暖的节能率也大幅降低,从31%下降到8.46%。
参考文献
[1] Ali A. Badran, Adnan W. Jaradat, Mustafa N. Bahbouh. Comparative study of continuous versus intermittent heating for local residential building: Case studies in Jordan[J]. Energy Conversion and Management, 2013, 65: 709-714.
[2] Ferenc Kalmár, Tünde Kalmár. Analysis of floor and ceiling heating with intermittent operation[J]. Environmental Engineering and Management Journal, 2011, 10(9): 1243-1248.
[3] 李兆坚, 江亿, 燕达. 住宅间歇供暖模拟分析[J]. 暖通空调, 2005, 35(8): 110-113.
[4] 熊乐. 夏热冬冷地区间歇供暖建筑能耗特性及影响因素研究[D].上海理工大学.2019
备注:本文收录于《建筑环境与能源》2020年10月刊总第37期(第22届全国暖通空调制冷学术年会文集)。版权归论文作者所有,任何形式转载请联系作者。
Copyright© 2016 版权所有:宁波可麦暖通设备有限公司 浙ICP备16010835号-1 技术支持:搜派科技